
SWPD萬向聯軸器
分享到:
長沙鼎立傳動機械有限公司位于水陸交通便利的湖南省長沙市寧鄉經濟技術開發區。專業研發、生產和銷售各種類型的聯軸器產品,其主導產品包括:QL系列滾珠聯軸器產品。
- 全國咨詢熱線:
- 13907486229
詳情介紹:
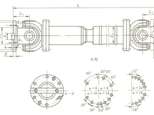
SWPD型無伸縮長式萬向聯軸器(JB/T3241-1991)
萬向聯軸器是一種特殊的聯軸器,分精密型萬向聯軸器以及大扭矩萬向聯軸器兩大類, 用于兩相交軸上的可移式剛性聯軸器。兩軸線最大夾角可達45°,廣泛用于機床、汽車、精密機械和重型機械等。萬向聯軸器由兩個叉形零件和一個十字形零件聯接而成。當主動軸以等角速度ω 1旋轉時,如兩軸線夾角為 α,則從動軸的角速度ω 2將在ω 1cosα ≤ω 2≤ω 1/cosα 的范圍內作周期性變化,從而引起附加動載。因此,單個萬向聯軸器不宜用在轉速高、兩軸線夾角大的聯接。

為克服上述缺點,可采用雙聯萬向聯軸器,即用一根中間軸聯接兩個萬向聯軸器,安裝時使主、從動軸與中間軸的軸線夾角相等,并使兩端的叉形零件處在同一平面內,這樣能使主動軸與從動軸的角速度隨時相等。利用球籠式萬向聯軸器和球槽式萬向聯軸器也可使兩軸瞬時速度近似相等。SWC型、SWP型十字軸式萬向聯軸器能廣泛應用于冶金、起重、工程運輸、礦山、石油、船舶、煤炭、橡膠、造紙機械及其它重機行業的機械軸系中傳遞轉矩。SWC型、SWP型十字軸式萬向聯軸器的主要特點為:
1.具有較大的角度補償能力。軸線折角,SWC型軸線折角可達15度~25度,SWP型可達10度左右。
2.結構緊湊合理。SWC型采用整體式叉頭,使運載更具可靠性。
3.承載能力大。與回轉直徑相同的其它型式的聯軸相比較,其所傳遞的扭矩更大,此對回轉直徑受限制的機械設備,其配套范圍更具優越性。
4.傳動效率高。其傳動效率達98-99.8%,用于大功率傳動,節能效果明顯。
5.運載平穩,噪聲低,裝拆維護方便。
萬向聯軸器是一種特殊的聯軸器,分精密型萬向聯軸器以及大扭矩萬向聯軸器兩大類, 用于兩相交軸上的可移式剛性聯軸器。兩軸線最大夾角可達45°,廣泛用于機床、汽車、精密機械和重型機械等。萬向聯軸器由兩個叉形零件和一個十字形零件聯接而成。當主動軸以等角速度ω 1旋轉時,如兩軸線夾角為 α,則從動軸的角速度ω 2將在ω 1cosα ≤ω 2≤ω 1/cosα 的范圍內作周期性變化,從而引起附加動載。因此,單個萬向聯軸器不宜用在轉速高、兩軸線夾角大的聯接。

1.具有較大的角度補償能力。軸線折角,SWC型軸線折角可達15度~25度,SWP型可達10度左右。
2.結構緊湊合理。SWC型采用整體式叉頭,使運載更具可靠性。
3.承載能力大。與回轉直徑相同的其它型式的聯軸相比較,其所傳遞的扭矩更大,此對回轉直徑受限制的機械設備,其配套范圍更具優越性。
4.傳動效率高。其傳動效率達98-99.8%,用于大功率傳動,節能效果明顯。
5.運載平穩,噪聲低,裝拆維護方便。